文章:170807_2 三相异步电动机常用控制电路图集

所有者:信仰(呢称); 发布时间:2017-07-17 06:52:16; 更新时间:2017-07-17 06:52:16

阅读所需积分:0; 

简介:170807_2 三相异步电动机常用控制电路图集

三相异步电动机常见的正反转控制电路、限位控制电路、自动往返控制电路、顺序控制电路、多地控制电路、减压起动控制电路、绕线转子电动机起动控制电路、制动控制电路、多速异步电动机调速控制电路等均有涉及。


正转控制电路

1.简单的正转控制电路

这种控制电路适合容量小且起动不频繁的电动机正转控制电路。

2.自锁正转控制电路

该电路在点动正转电路的控制电路中多串接一个常闭停止按钮SB2,并在起动按钮SB1两端并联一个常开辅助触头KM(又称自锁触头)。

自锁正转控制电路除了有长时间运行锁定功能外,还能实现欠电压和失电压保护功能。

3.带过载保护的自锁正转控制电路

带过载保护的自锁正转控制电路在普通的自锁控制电路基础上增加了一个热继电器FR。

热继电器只能执行过载保护,不能执行短路保护。

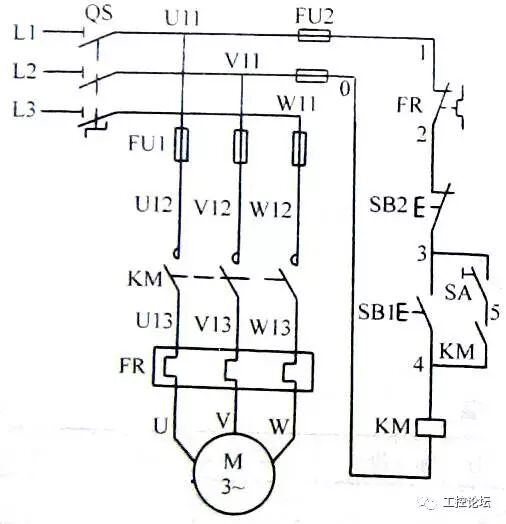
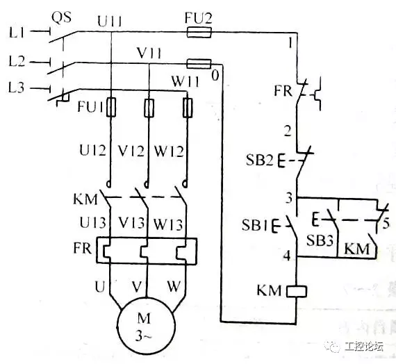
4.连续与点动混合控制电路


该电路是在带过载保护的自锁正转控制电路的自锁电路中串接一个手动开关SA。当SA断开时,电路工作在点动控制方式。当SA闭合时,电路工作在连续控制方式。

该电路是在带过载保护的自锁正转控制电路中增加了一个复合按钮开关SB3。未操作SB3时,电路工作在连续控制方式。操作SB3时,电路工作在点动控制方式。


正、反转控制电路

1.倒顺开关正、反转控制电路


倒顺开关直接接在主电路中,不适合用作大容量的电动机控制,一般用在额定电流10A、功率3kW以下的小容量电动机控制电路中。


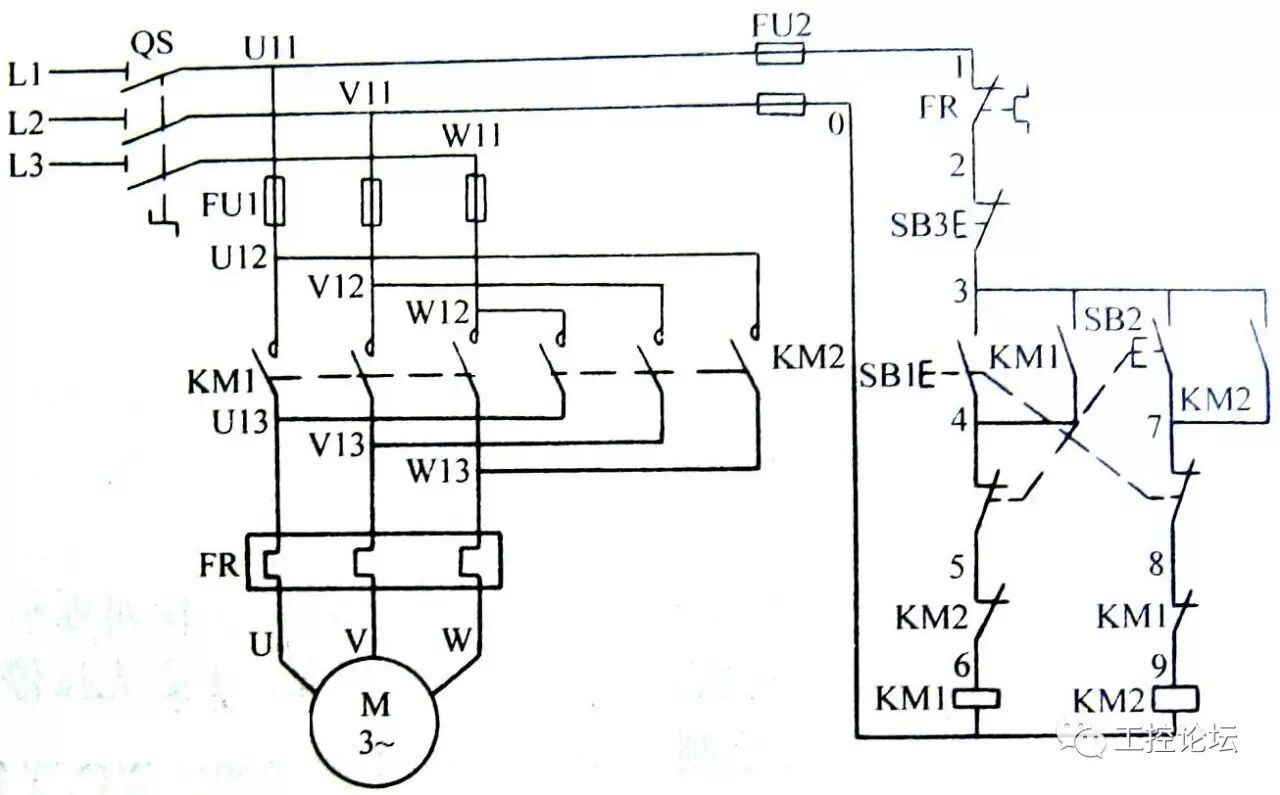
2.接触器联锁正、反转控制电路

接触器联锁正、反转控制电路的主电路中连接了两个接触器KM1和KM2,工作安全可靠。


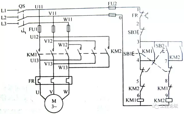
3.按钮联锁正、反转控制电路


接触器联锁正、反转控制线路在控制电动机由正转转为反转时,需要先按停止按钮,再按反转按钮,这样操作较为不便,采用按钮联锁正、反转控制线路则可避免这种不便。


电路采用两个复合按钮SB1和SB2,SB1代替正转按钮和反转接触器的常闭辅助触头,SB2代替反转按钮和正转接触器的常闭辅助触头。


4.按钮、接触器双重联锁正反转控制电路

按钮、接触器双重联锁正反转控制电路可以有效解决按钮联锁正反转控制电路容易出现两相电源短路的问题。


在按钮联锁正反转控制电路的基础上,将两个接触器各自的常闭辅助触头与对方的线圈串接在一起,这样就实现了按钮联锁和接触器联锁双重保护。


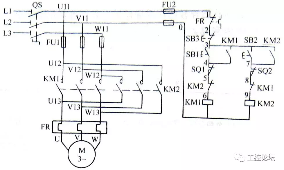
限位控制电路


限位控制电路又称位置控制电路或行程控制电路,它是利用位置开关来检测运动部件位置的,当运动部件运动到指定位置时,位置开关给控制电路发出指令,使电动机停转或反转。


常见的位置开关有行程开关和接近开关。

限位控制电路是在接触器联锁正反转电路的控制电路中串接两个行程开关SQ1和SQ2构成的。


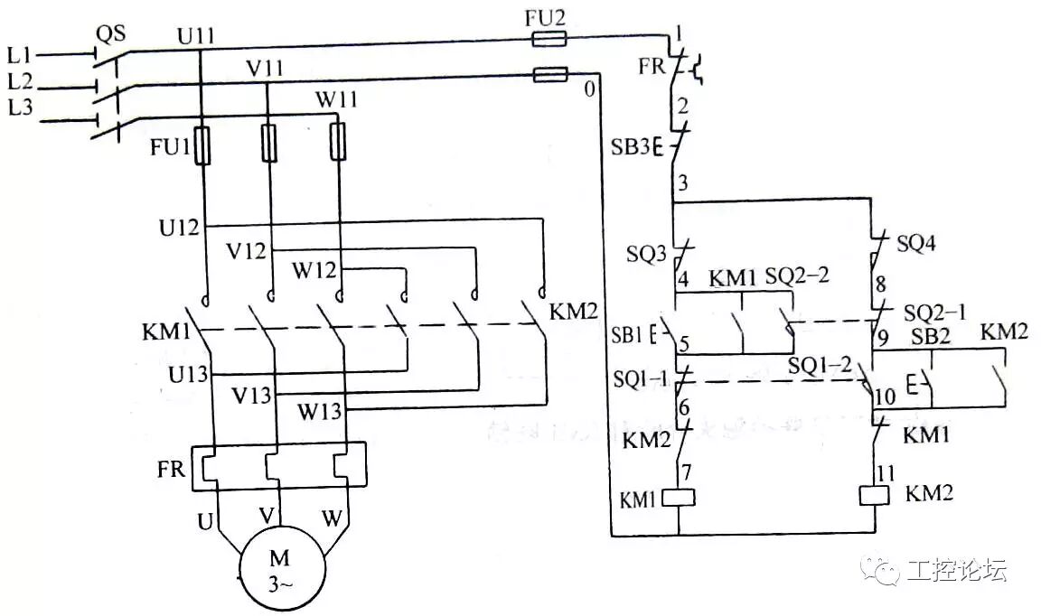
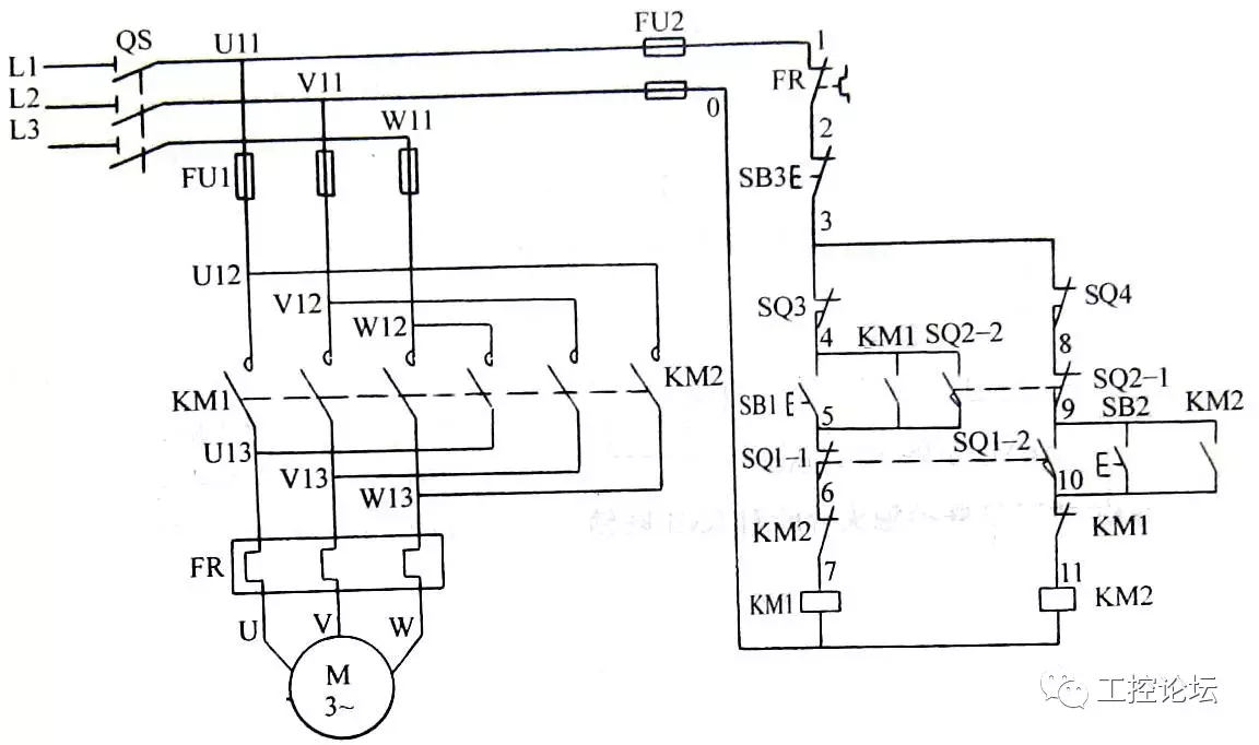
自动往返控制电路

在一定范围内能自动往返运动,即当运动部件运行到一定位置时不用人工操作按钮就能自动返回。


自动往返控制电路采用了四个行程开关SQ1~SQ4。SQ2、SQ1分别用来控制电动机正、反转;SQ3、SQ4用作终端保护,它们只用到了常闭触头。


图 自动往返控制电路4个行程开关的安装位置


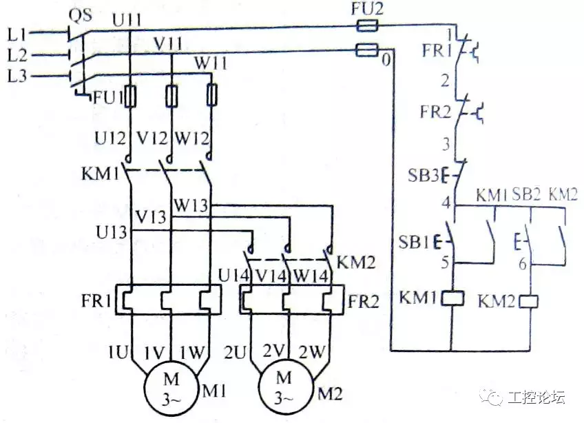
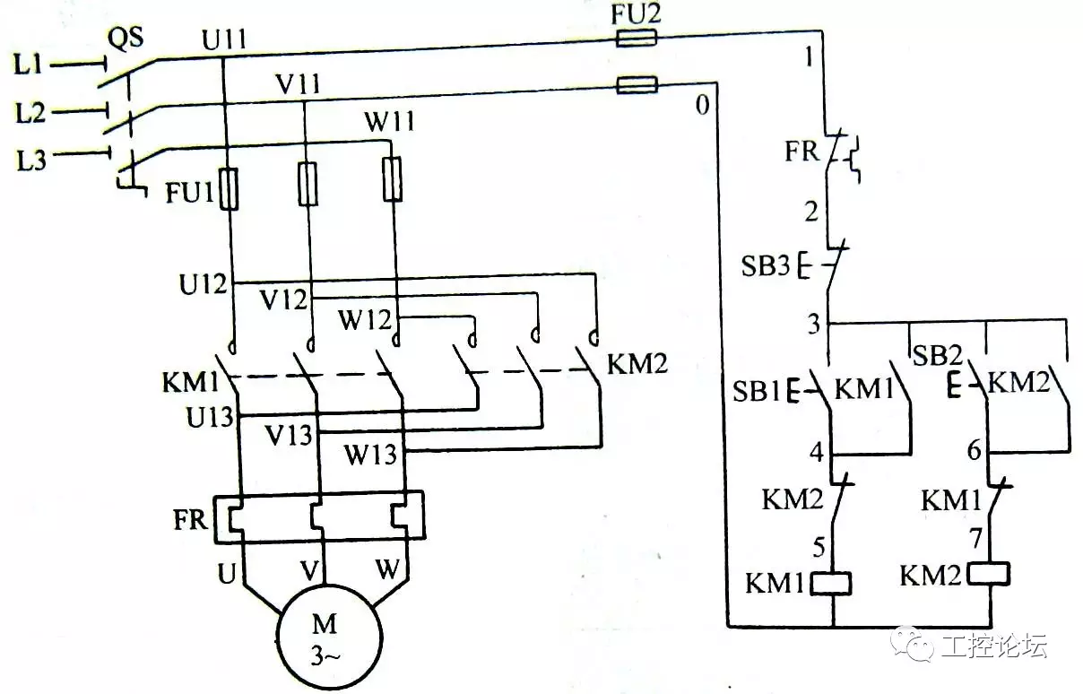
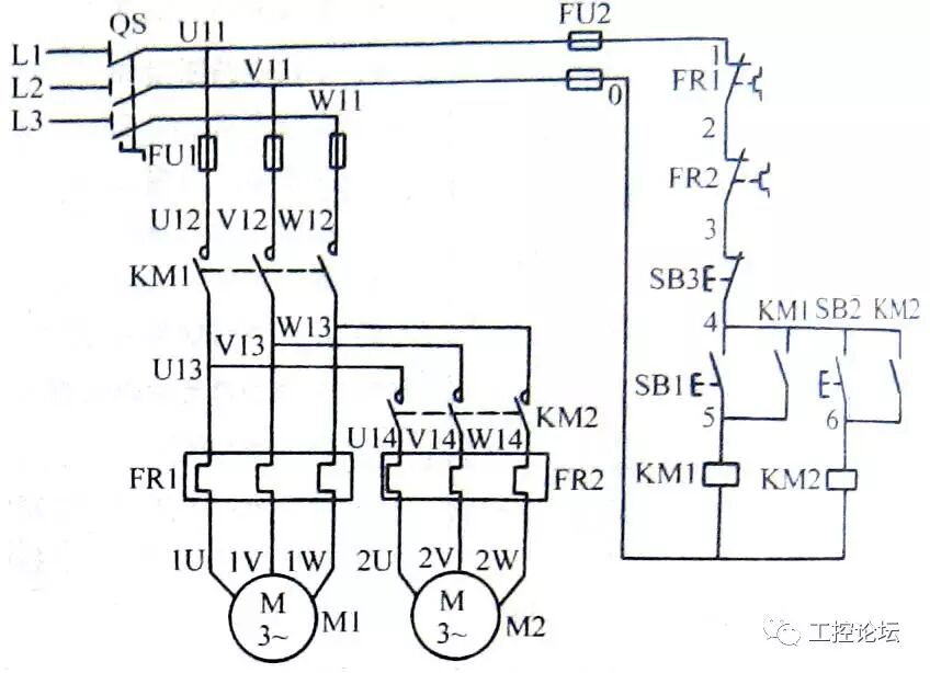
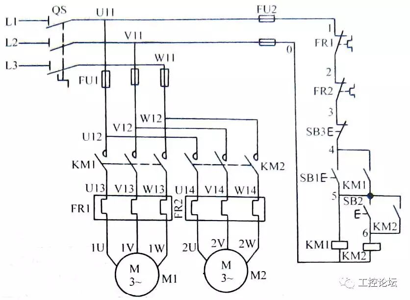
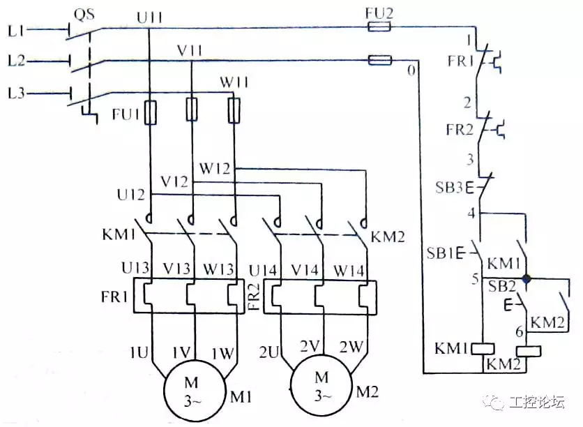
顺序控制电路


电路采用了KM1、KM2两个接触器,KM1、KM2的主触头属于串接关系,KM2主触头接在KM1主触头的下方。

该电路同样采用KM1、KM2两个接触器,但KM1、KM2的主触头属于并接关系,要求两个接触器的主触头先后闭合。


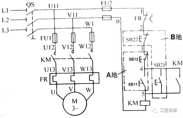
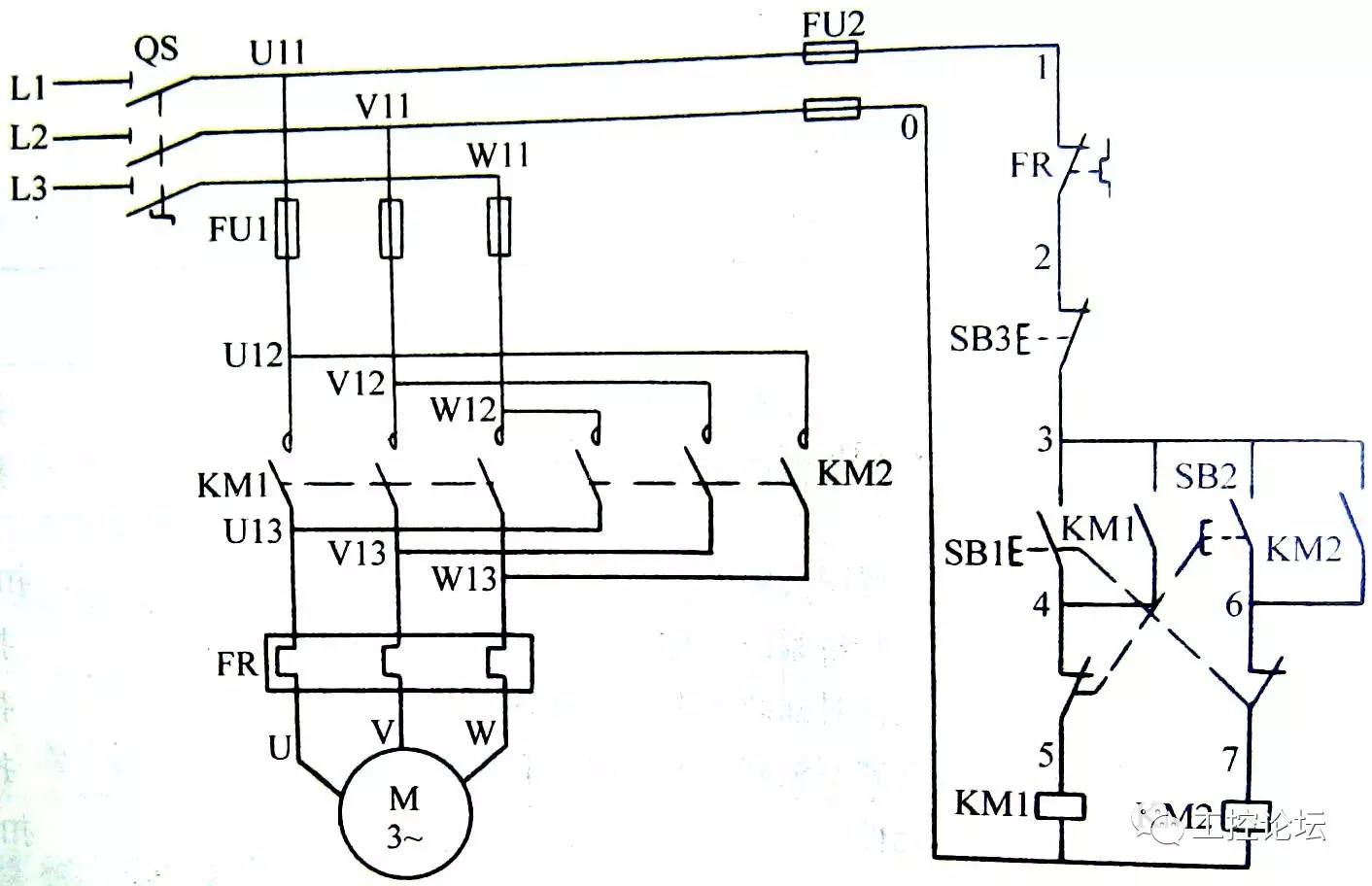
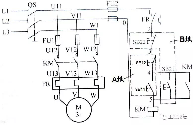
多地控制电路


SB11、SB12分别为A地起动和停止按钮,安装在A地,SB21、SB22分别为B地起动和停止按钮,安装在B地。


减压起动控制电路


一般规定,供电电源容量在180kVA以上,电动机容量在7kW以下的三相异步电动机可采用直接全压起动,超出这个范围需采用减压起动方式。减压起动需要在轻载或空载时进行。


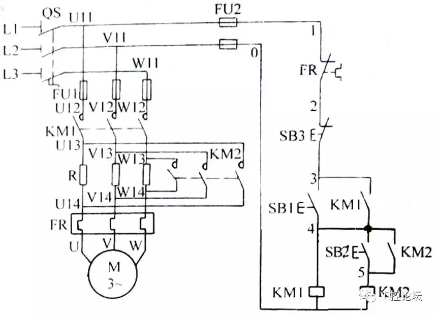
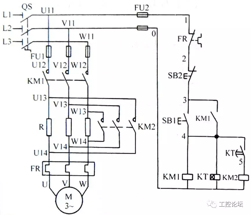
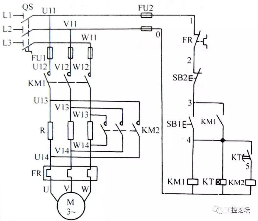
1.定子绕组串接电阻减压起动控制电路

在起动时在电动机定子绕组和电源之间串接电阻进行减压,电动机运转后再将电阻短接,给定子绕组提供全压。


1)手动切换电阻控制电路

2)按钮和接触器切换电阻控制电路

3)时间继电器切换电阻控制电路


2.自耦变压器减压起动控制电路

在起动电动机时让自耦变压器将电压降低供给电动机,起动完成后再将电压升高提供给电动机。


1)手动控制起动器减压电路

电路常用到QJ3油浸式起动器。这种起动器内部除了有三相自耦变压器结构外,还包括一些保护装置。


起动时,由于手柄换挡时都是带电操作,动触头与静触头之间容易出现电弧,为了消除电弧对触头的损伤,与手柄联动的几个触头都要浸在绝缘油内。