文章:加工精度不稳定与特殊工装夹具

所有者:信仰(呢称); 发布时间:2017-08-21 04:34:15; 更新时间:2019-04-26 01:46:10

阅读所需积分:0; 

简介:加工精度不稳定与特殊工装夹具

工装夹具设计一般是在零件的机械加工工艺过程制订之后按照某一工序的具体要求进行的。制订工艺过程,应充分考虑夹具实现的可能性,而设计工装夹具时,如确有必要也可以对工艺过程提出修改意见。工装夹具的设计质量的高低,应以能否稳定地保证工件的加工质量,生产效率高,成本低,排屑方便,操作安全、省力和制造、维护容易等为其衡量指标。



一、工装夹具设计的基本原则



1、满足使用过程中工件定位的稳定性和可靠性;

  

2、有足够的承载或夹持力度以保证工件在工装夹具上进行的加工过程;

  

3、满足装夹过程中简单与快速操作;

  

4、易损零件必须是可以快速更换的结构,条件充分时最好不需要使用其它工具进行;

  

5、满足夹具在调整或更换过程中重复定位的可靠性;

  

6、尽可能的避免结构复杂、成本昂贵;

  

7、尽可能选用标准件作为组成零件;

  

8、形成公司内部产品的系统化和标准化。




二、工装夹具设计基本知识



一个优良的机床夹具必须满足下列基本要求:


1、保证工件的加工精度保证加工精度的关键,首先在于正确地选定定位基准、定位方法和定位元件,必要时还需进行定位误差分析,还要注意夹具中其他零部件的结构对加工精度的影响,确保夹具能满足工件的加工精度要求。


2、提高生产效率专用夹具的复杂程度应与产能情况相适应,应尽量采用各种快速高效的装夹机构,保证操作方便,缩短辅助时间,提高生产效率。


3、工艺性能好专用夹具的结构应力求简单、合理,便于制造、装配、调整、检验、维修等。


4、使用性能好工装夹具应具备足够的强度和刚度,操作应简便、省力、安全可靠。在客观条件允许且又经济适用的前提下,应尽可能采用气动、液压等机械化夹紧装置,以减轻操作者的劳动强度。工装夹具还应排屑方便。必要时可设置排屑结构,防止切屑破坏工件的定位和损坏刀具,防止切屑的积聚带来大量的热量而引起工艺系统变形。


5、经济性好专用夹具应尽可能采用标准元件和标准结构,力求结构简单、制造容易,以降低夹具的制造成本。因此,设计时应根据订单及产能情况对夹具方案进行必要的技术经济分析,以提高夹具在生产中的经济效益。



三、工装夹具设计规范化概述



1、工装夹具设计的基本方法与步骤


设计前的准备工装夹具设计的原始资料包括以下内容:

  

a)设计通知单,零件成品图,毛坯图和工艺路线等技术资料,了解各工序的加工技术要求,定位和夹紧方案,前工序的加工内容,毛坯情况,加工中所使用的机床、刀具、检验量具,加工余量和切削用量等;

  

b)了解生产批量和对夹具的需用情况;

  

c)了解所使用机床的主要技术参数、性能、规格、精度以及与夹具连接部分结构的联系尺寸等;

  

d)夹具的标准料库存情况。


2、工装夹具设计考虑的问题


夹具设计一般结构单一,给人的感觉结构不是很复杂,尤其现在液压夹具的大行其道,使其原有的机械结构大大简化,但是如果设计过程中不加以详细考虑必然会出现不必要的麻烦:


a)被加工件的毛坯余量。造成毛坯尺寸过大,产生干涉。所以在设计之前一定要准备毛坯图。留出足够的空间。


b)夹具的排屑畅通性。设计时由于机床的加工空间的有限性,夹具往往被设计的空间比较紧凑,这时往往就会忽略在加工过程产生的铁屑在夹具死角处存积,包括切屑液的流出不畅,给以后加工带来很多麻烦。所以在实际之初就应考虑加工过程中出现的问题,毕竟夹具是以提高效率,方便操作为本的。

c)夹具的整体敞开性。忽略敞开性,造成操作者装卡困难,费时费力,设计大忌。

d)夹具设计的基本理论原则。每套夹具都要经历无数次的夹紧,松开动作,所以可能在开始都能达到用户要求,但是加具应该有它的精度保持性,所以不要设计一些有悖原理的东西。即使侥幸当下可以,也不会有长久的持续性。一个好的设计应该经的起时间的锤炼的。


e)定位元件的可更换性。定位元件磨损严重,所以应考虑更换快捷和方便。最好不要设计成较大的零件。


夹具设计经验的积累很重要,有时设计是一回事,在实际应用中又是一回事,所以好的设计是一个不断积累和总结的过程。

常用的工装夹具按照功能性主要分为以下几种:

  

01夹模

02钻孔、铣面工装

03数控、仪表夹头

04试气、试水工装

05切边、冲孔工装

06焊接工装

07抛光治具

08装配工装

09移印,激光刻字工装


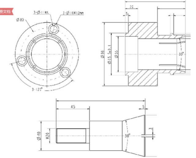
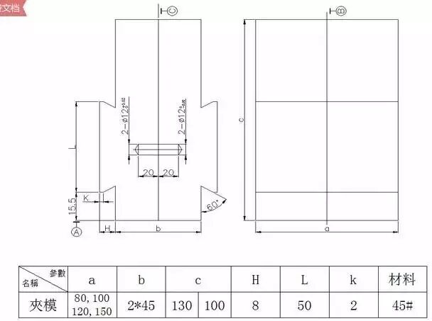
 01夹模 

定义:用产品外形定位装夹的工具


设计要点:


1、此类夹模主要用于虎钳上,其长度可以根据需要截取;

  

2、夹模上可以设计其他辅助定位装置,一般采用焊接方式连接夹模;

  

3、上图为简图,模腔结构尺寸由具体情况确定;

  

4、在动模上的适当位置紧配直径12的定位销,定模相应位置的定位孔滑动配合定位销;

  

5、装配型腔在设计时需在无收缩的毛坯图档的外形面基础上偏移放大0.1mm。



 02钻孔、铣面工装 


设计要点:

  

1、如有必要,可在固定芯及其固定板上设计一些辅助定位装置;

  

2、上图为结构简图,实际情况需根据产品结构做相应设计;

  

3、汽缸根据产品大小和加工时受力情况而定,常用SDA50X50;



 03数控、仪表夹头 

A数控夹头

内束夹头


  

设计要点: