所有者:信仰(呢称); 发布时间:2017-10-27 06:19:18; 更新时间:2019-04-26 02:02:58
阅读所需积分:0;
简介:变频器损坏原因简析
导致变频器损坏的原因很多,主要分为两类:一类为是由于变频器内部电子、电力元件自身原因引起的损坏;另一类是由于外部环境、人为因素和运行参数设定不当引起的损坏。
变频器主要是电力电子器件的装置,工作环境是非常重要的,因此对安装环境的温度、湿度、粉尘含量、腐蚀性等因素要求较高。
1环境温度
由于变频器集成度高,整体结构紧凑,内含大功率电力电子元件,自身散热量较大.变频器与其他电子设备一样,对周围环境温度有一定的要求,一般要求在“0~+40℃”的环境下运行。
变频器内部的大功率电子器件,极易受到工作温度的影响,为了保证变频器工作的安全性和可靠性,尽量将环境温度控制在40℃以下;超过50℃时,变频器应该降额使用。如环境温度太高且温度变化大时,变频器的绝缘性会大大降低,影响变频器的寿命,长期在高温下使用,变频器的寿命将大幅缩短。


导致温度异常升高的常见原因:
安装环境条件差,通风不好,环境温度高;
变频维护较差,内部积尘较多、风道堵塞或风扇损坏;
负载较重;
变频器离发热源太近;
变频器长期在高温环境下运行,容易使元器件的击穿烧毁,特别是大功率器件,如逆变模块。
2运行环境粉尘太多
大量粉尘附着在电路板、电子器件表面,会改变电路特性,影响器件散热,使变频器未在设计参数下工作,久而久之,变频器就会出现工作异常,甚至炸机。粉尘多的场合(水泥厂,面粉厂等),建议将变频器装入防护柜,加防尘罩,定期清理通风通道,清理变频器内部粉尘。

3运行环境腐蚀性太强
很多化工厂生产的产品具有一定腐蚀性,具有腐蚀性的气体、液体进入变频器,会对电路板和电子元器件产生腐蚀作用,从而改变特性,加速其老化,变频器的寿命急剧缩短。

4运行环境潮湿
一些化工厂,水厂,漏天设备环境潮湿,变频工作在潮湿的环境中,会使内部金属部件生锈,使电路特性改变,严重会发生短路故障。

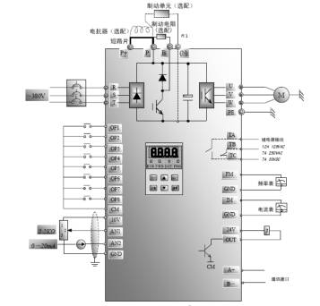
1接线错误
直流母线“N”与接地“PE”控制线

2未正确接地
变频器“PE”端没有正确接入大地,导致变频器偶尔受干扰或出现故障,机壳带电或受瞬间高电压(如电网波动,雷击等)炸机。

3螺丝未拧紧
变频器大功率部件由于通过的电流大,螺丝一定要拧紧,螺丝松动会造成接触电阻增大,发热量高,甚至产生电弧,会造成接触部位烧坏,输出电流不稳定,久而久之,就会损坏变频器。

4电力配线与布置不合理
电力布线不合理,会产生各种干扰,使变频器误动作,影响变频器的正常运行。
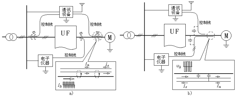
干扰方式
电磁感应方式:这是电流干扰信号的主要传播方式
静电感应方式:这是电压干扰信号的主要传播方式

a 电磁感应 b 静电感应
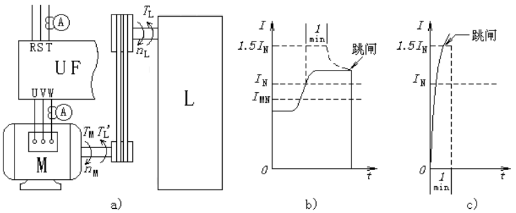
5加减速时间设置过短
变频器加减速时间应根据负载情况合理设置,如果设置过短,会导致起动电流过大发生跳闸,或者烧坏模块,对于那些频繁起动的负载更是如此。
在大惯量负载,如离心风机、离心搅拌机等,如果设置的减速时间太短,电机处于发电状态使直流母线电压过高而损坏变频器。
过电流的保护对象与特点

a变频器过流保护 b长时间过流 c冲击过流
过电压的保护对象与特点
制动电阻选择不当

a选择正好 b电阻值太大
6合理设置载波频率
当载波频率低时,来自电机的载波噪音虽然会增大,但是泄漏到大地的电流会减小,此时电机损耗增加,电机温升增加,但变频器本身的温升会减小。当载波频率高时,虽然电机噪声会减小,电机损耗降低,电机温升减小,但变频器损耗增加,变频器温升增加,干扰增加。
调整载波频率,对性能的影响:


7