文章:在数控加工中, 分别用G01和G32加工螺纹会有什么区别

所有者:信仰(呢称); 发布时间:2018-01-29 02:10:01; 更新时间:2019-04-26 02:29:35

阅读所需积分:0; 

简介:20180201_在数控加工中, 分别用G01和G32加工螺纹会有什么区别


指令格式:G32 X(U)__Z(W)__ F(I)__; 

指令功能:两轴同时从起点位置(G32指令运行前的位置)到X(U)、Z(W)指定的终点位置的

螺纹切削加工(轨迹如图2-22所示)。此指令可以切削等导程的直螺纹、锥螺纹和端面

螺纹。G32螺纹切削时,需退刀槽。

X(U):X向螺纹切削终点的绝对(相对)坐标

Z(W):Z向螺纹切削终点的绝对(相对)坐标;

F:公制螺纹导程,即主轴每转一转刀具相对工件的移动量,取值范围:(0.001~500)mm,模态

参数;

I:英制螺纹每英寸牙数,取值范围为(0.06~25400)牙/英寸,模态参数。


螺纹切削注意事项

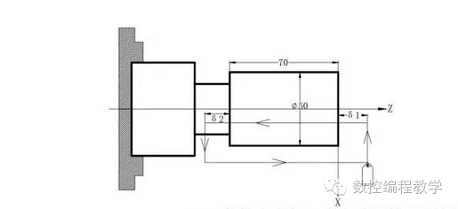
● 在螺纹切削开始及结束部分,一般由于升降速的原因,会出现导程不正确部分,考虑此因素影响,指

令螺纹长度比需要的螺纹长度要长,如图2-24。

● 在切削螺纹过程中,进给速度倍率无效,恒定在100%。

● 在螺纹切削时主轴必须开动,否则产生报警;在螺纹切削过程中,主轴不能停止。

● 在螺纹切削过程中主轴倍率无效,因为如果改变主轴倍率,会因为升降速影响等因素导致不能切出正

确的螺纹。

● 进给保持在螺纹切削中无效,在执行螺纹切削状态之后的第一个非螺纹切削程序段后面,可用单程序

段停来停止。

● 若前一个程序段为螺纹切削程序段,当前程序段也为螺纹切削,在切削开始时不检测主轴位置编码器

的一转信号。

● 主轴转速必须是恒定的,当主轴转速变化时,螺纹会或多或少产生偏差。

● F、I 同时出现在一个程序段时,系统会产生报警。

实例1:用G32指令编写图2-24程序,螺纹导程:4mm。



程序如下:取δ1 = 3mm,δ2 = 1.5mm,总切深1mm(单边),分两次切入。

G00 X49 Z3;(第一次切入1mm)

G32 W-74.5 F4.0;

G00 X55;

W74.5;

X48;(第二次再切入1mm)

G32 W-74.5 F4.0;

G00 X55 

W74.5;

M30