文章:变频器的应用和故障处理,实例分析

所有者:信仰(呢称); 发布时间:2018-06-08 00:57:16; 更新时间:2019-04-26 03:19:36

阅读所需积分:0; 

简介:变频器的应用和故障处理,实例分析

近年来,变频器在工业生产和居民的生活中应用的越来越广泛,相应的熟练变频器的使用和掌握变频器的基本故障维修对于电力作业人员而言又是一大挑战。


虽然各品牌、各型号的变频器不尽相同,但只要掌握了变频器的共性,学会一种变频器的应用后对其它的变频器也就触类旁通了。


对于变频器众多的参数,我们应学会挑出并且掌握最基本的参数,因为多数的参数在我们实际应用中一般都应用不到,可以用其默认值,特别还应学会调整特性参数以更好的让变频器工作在最佳状态。



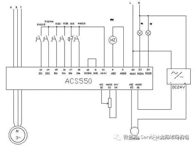
为了能够更加清晰直观的说明问题,我们通过以下具体实例来分析:一台 15KW 水泵做 PID 控制,控制水泵出口压力稳定。


一,设计思路:选用一台 15KW 具有 PID 功能的变频器,可以不考虑输入电抗器,电机速度由设定频率与泵出口压力作比较进行 PID 调节,设计应考虑能手 /自动转换。


二,变频器控制回路设计图:



补充说明:其它参数可用变频器默认值,改善变频器及对电机的控制特性,如加、减速, U/F曲线等由调试中按实际运行调节设定; PID 调节参数需实际调试时对40参数组进行修整改善,特别注意的是泵的出口压力与电机转速应取反,即压力高时要求降速。


三,控制原理说明:


1,手动控制时:

将手 /自动转换开关断开(DI2=0) ,手动转换开关闭合(DI1=1) ,变频器将以 AI1为参考控制速度,调整电机转速。如果需要固定某一频率点,也开以利用恒速 1(DI3) 、恒 速 2(DI4)开关的组合,得到三段速度,设定为 20Hz 、 40Hz 、 50Hz ,可在参数 1202、 1203、 1204中修改设定频率。


2,自动作 PID 控制时:

将手 /自动转换开关闭合(DI2=1) ,自动 PID 转换开关闭合(DI6=1) , 此时 DI1、 DI3、 DI4均不起作用,电机将以 AI1为设定点, AI2为实际值进行 PID 调节,泵出 口压力高,将会自动降低电机转速,以降低出口压力,反之相反。


3,当出现紧急事故时:

可拍下急停按钮(DI5=0) ,将不允许电机启动,起到保护作用。电机的速度可由频率表查看,由 AO2输出,应注意模拟量与表量程值的对应设定。装有二个指示灯 、表示电机的运行、停止,由输出继电器2的常开常、闭点分别取得信号。


4,故障分析与维修:

变频器是一个高精度、高科技的电子元气件,对它的故障处理,我们也应由简到繁的原则去加以分析维修,对于我们一般的现场维护保养者,并不需要深入的了解其内部的构造,但应掌握其一般故障发生的规律加以分析处理。


变频器发生故障时,首先我们应从变频器的显示面板上读取故障代码,此类代码每一种变频器的 代码信息均不会一致,但基本都会有过流、过压、过载、失压、超温、模拟量丢失、通讯丢失等故障记录。同时一般故障时我们可以从面板上的指示灯变为红色加以判断。


在分析故障时,我们还可以从变频器的实际检测数据中检查实际的开关量信号、模拟量信号及实 际变频器运行数据加以判断是否正常, 另外我们应注意变频的特性参数是否设定合理,对 U/F曲线,加、减速时间,电流限制,各类保 护等参数的设定特别需加以检查分析。


事故案例一、1台 DCS 控制的变频器,操作员设定 30Hz 运行频率开启后发现电机实际转速很慢,甚至跳停。


分析处理:由于原来控制是正常的,说明原外部接线及控制方式应没问题,检查变频器故 障代码是过流及过载,可因是负载过大,根据现场得到的反馈是电机没问题,由于工艺的变化至使变频器负苛加大,


检查变频器电流限定均正常,在试运行中查看运行参数发现输入开关量、模拟量数据均正常,但输入模拟量约为 30Hz 时, 输出频率上不去,明显 变频器启动带负苛能力差,调整 U/F曲线以提高启动低频时的电压,故障排除。


事故案例二、 1台变频器运行中经常跳停,报过温报警。


分析处理:由于这台变频器前期运行正常, 过温报警跳停一般只有变频器长期满负苛运行, 不能充分散热引起,检查电机负载情况正常,但拆下变频器检查时发现其散热片上的积尘 很厚,严重妨碍了变频器的散热性能,对积尘充分吹洗后,变频器工作恢复正常



由例可见我们对变频器的维护并不复杂,一些常规的小问题并不是变频器本身,而是我们对变频器的运行环境没重视,真正烧坏变频器的也是在这些环境没保证的前提下,其内部元器件加快老化引起的。


因此我们平时做维护时一定要注意检查变频器的工况,周围环境保持无尘、无水、无腐蚀及恒 温的条件。