文章:FANUC 双绕组电机绕组切换及相关问题调试

所有者:信仰(呢称); 发布时间:2017-06-22 01:47:06; 更新时间:2023-05-14 18:50:47

阅读所需积分:0; 

简介:北京发那科某客户首次使用aiIT 8/15000主轴电机,机床厂家自行完成主轴单元安装后,按照我方提供的标准电机参数多次设定未能成功驱动主轴电机,发生SP9034报警、SP1982报警无法解除,对于双绕组切换电机的使用及梯图处理也存在困难。

解决过程1绕组切换单元制作


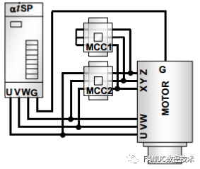
由于厂家并未购买我方提供的FANUC绕组切换单元,因此需要单独购买。出于产品性能考虑推荐其购买FUJI接触器。具体选型步骤为:

1) 根据电机峰值电流确定接触器的型号。查询ai主轴电机规格说明书可知aiIT8/15000电机峰值电流为108A,对照FUJI接触器规格表,可确定选择N6P型号接触器作为切换单元。

2)根据电机规格确定接触器数量。aiIT8/15000电机为Y-Δ切换方式,因此需要两个接触器。

3) 根据电机规格确定连接方式。接线如下图所示。






 

解决过程2发生主轴报警


SP9034(主轴参数错误)、SP1982 (串行主轴放大器错误)

由于厂家首次使用aiIT 8/15000主轴电机,且该电机没有专用电机代码,需要手动输入电机参数,所以首先需检查是否存在参数误设,现场指导其进行此类电机的初始化流程:

1)设定主轴电机初始化位P4019#7=1,以及电机代码P4133=400。(无电机代码且只使用低速绕组时电机初始化代码P4133设定为300)

2)NC断电重启,自动加载电机基础参数。

3)按照主轴电机参数说明书中电机参数列表手动输入,确保电机参数无误。

4)关闭机床总电源,电机初始化完成。

5)设定主轴各档最大转速及编码器类型。

正确完成以上设定后SP9034报警解除。至于SP1982报警,检查主轴放大器接线发现JYA2接至JYA3,更正后,报警解除。

 

解决过程3双绕组切换相关的PMC信号


双绕组电机切换绕组时,还需要处理相应的PMC信号,即绕组输出切换请求信号G71.6(RSLA),以及换挡咬合/齿轮信号G70.2,G70.3(CTH1A,2A),具体的PMC时序如下图所示:



解决过程4绕组切换实现


从换挡流畅性及延长接触器使用寿命考虑,推荐切换方式为根据速度指令切换,而不使用实际速度切换方法。P4023中设定速度切换点,该电机的切换点为4000rpm,因此P4023=4000/15000*1000=267。完成以上各步设定,电机就可以正常实现电机高低速绕组的切换了。