文章:西门子手轮偏置DRF功能简介(选项P16)

所有者:信仰(呢称); 发布时间:2017-06-22 02:07:13; 更新时间:2023-05-14 18:50:38

阅读所需积分:0; 

简介:西门子手轮偏置DRF功能简介

1.1 概述

DRF又称手轮偏置,在自动或者MDA方式下运行程序加工的时,利用手轮产生增量式零点偏移。激活DRF功能,手轮移动时,工件坐标系不发生改变,只是机械坐标系按照手轮移动量变化。DRF 偏移不显示在轴的实际值显示区中。(以下以828D系统为例介绍)

典型应用如下:

  • 在加工时间非常长的NC 程序段内进行刀具磨损补偿(如大型的平面铣床)

  • 磨削时的精补

  • 简单的温度补偿(热误差补偿)


1.2 要求

软件

SW24

SW26

SW28

SW28A

T/M/G

O/O/O

O/O/O

O/O/-

√/√/√

选项

6FC5800-0AP16-0YB0     (DRF偏移包含在扩展操作功能选项中)

选项激活后,相关PLC接口信号和NC参数激活。


1.3 PLC信号

BYTE

Bit7

Bit6

Bit5

Bit4

Bit3

Bit2

Bit1

Bit0

DB1700-DB1701

HMI到PLC

DBB0





DRF选择




DB3200-DB3201

PLC到NCK

DBB0





DRF激活





1.4 系统变量

1)读取偏移值

DRF 偏移可通过轴专用系统变量读取:

$AC_DRF[<轴>]

2)删除DRF偏移

通过 DRF 偏移产生的零偏在所有运行方式中均生效,且在 RESET 后继续生效。

  • 通过零件程序指令(DRFOF)在通道的所有轴上删除。

  • 通过零件程序指令(SUPA)非模态式抑制。

  • 删除 DRF 偏移时,轴不会运行

  • 上电复位:删除 DRF 偏移


1.5 NC参数

MD52210 $MCS_FUNCTION_MASK_DISP显示/视图设定

bit14:=1,在机床中显示DRF叠加

MD52211 $MCS_FUNCTION_MASK_DISP_ZOA 设置各个零点偏移显示方式

bit2:=1,在零点偏移中显示DRF

MD20360 $MC_TOOL_PARAMETER_DEF_MASK刀具参数的定义

bit9:DRF手轮运行中横轴的属性:=1,在横轴的DRF手轮运行中,只运行一半的指定增量。


1.6 相关界面及操作


1.6.1 激活/取消

1)通过HMI激活/取消

编写PLC如下:HMI界面接口信号DB1700.DBX0.3激活NCK地址DB3200.DBX0.3。

具体操作:

在MDA或AUTO加工界面,进入【程序控制】,移动光标至DRF,点击select按键选择/取消选择。


2)自定义按键激活/取消

编写PLC如下:自定义按键I119.7激活NCK地址DB3200.DBX0.3。


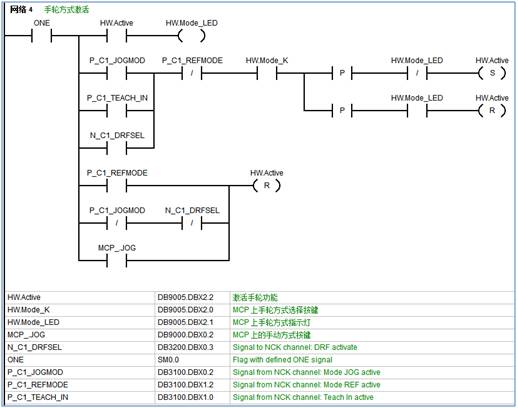
1.6.2 手轮PLC

激活后选择手轮,按照正常的手轮操作即可。

注意:手轮激活的PLC编程,一般手轮激活在JOG模式下,如此应添加当DRF激活后,AUTO 或MDA方式下也支持手轮功能。示例如下

N_C1_DRFSEL--DB3200.DBX0.3:DRF功能激活。


1.6.3 偏移量查看

【加工界面】--【向右扩展键】--【叠加】可查看各轴DRF偏移量(前提MD52210 bit 14=1)

DRF功能下手轮偏移量可以在【零偏】--【概缆】中查看(前提MD52211 bit 2=1)