搜索结果列表

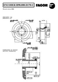
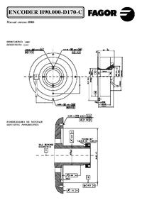
发格孔式高分辨率编码器H90000D90D170手册(旧版)

发格孔式高分辨率编码器H90000D90D170手册(旧版)

本册为旧版的编码器手册, 发格孔式高分辨率编码器HD90D170手册,

下载

发格低分辨率旋转编码器手册

发格低分辨率旋转编码器手册

发格低分辨率旋转编码器手册(英文版),手册中包括编码器接线定义,编码器的技术参数等。该手册为孔式、轴式编码器合用手册

下载

数控机床精密分析

数控机床精密分析

数控机床精密分析:本文分析了数控机床的精度受哪些因素影响,从全闭环、和半闭环的角度对数控机床的精度进行了对比,解释了全闭为什么可以提高机床的精度,以及全闭的局限性,是一篇值得机床行业人员珍藏的好文章!!

下载